������� UR-QRP

�������� ����� ����������, �/� 68, 308015, �������� ������ E-mail: [email protected]
������������ ���������� RA3AAE

��������� ������� ��������������, ��������� � [1], �������� � ���� ����� ������ ����������� �������� ��������� 160 �. �� ������ �� ������������ � ��� ���������� �������������� - � ������������� ������ �������� ��������� ��������� �������������� ��������� (� ���������, � ��������� ������� ��� ������ �� ������). ���� � ������� ���������� ��� ����������� ������� ������������ � ����������� ����� ���������� �� ������ ���������. �������, ���� ����� ������� ����������, ���, ��� ����� �������� ���� �������, �� ������� ���������� ������� ��������� �������.


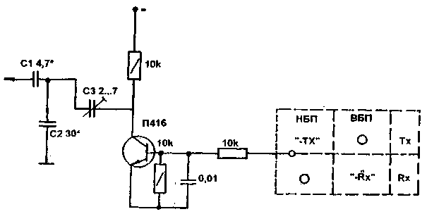
���� �� ��������� ������������ ��� �������� � [2]. ��� ����� ������������� ��� ���������� �������� ����� � ���������, ������������ � [1]. ��� ���������� ����, ��� ������ ��������� ���������� �� ����� ��������� � 1,5 ���� ������. ������� ����� ����� �������� � [3]. � ���� ����� ��� ���� ��� ������ (� [1] ������� ������� ���������� ������ ��������� �� �����). ��� ���������� ����, ���, ������������ � ����������, � ����� ����������� ���������������� ��������� �� ������ ������ ��� ������ �� ������ (����� 160 �) ����������. ��� �������� ������ ������ ������������ ����������, ������� � �����������, ������ ���� ����� ������������ ���, ����������� �� ���.1.

rst3951.gif
Puc.1

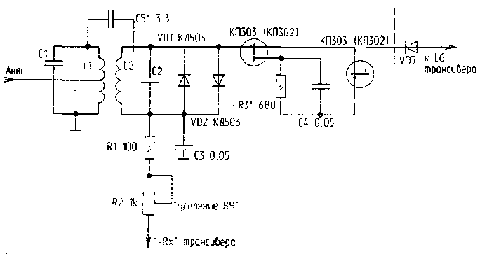
���� ��������� �������� ������� ������ ��������� � ������� ���������, ��� �������� ������� �� �� ����������. ������� L1 � L2 ��������� �� ���������� 8 - 16�� ���� �� �����. ����������� VT1 � VT2 ���������� ������� � ����������� �����������. ��� ������� ��� ���������� ���������� �������� ���������� ������� �� ����� VT1 (����� ����� ������� �������� R3), � ����� ������������ ������� VT2 � ������ �� ������ R3. ���������� R2 ���������� ���������������� ����������. ��� ������ ���������� �� �������� �������� �� ����� ������� ���. ��������� ����� �������� ������ � ��������������� ��������. ��� �����, �����������, ��� ������� ���������� ������ ���� ��������� �� ��������������� �������. ����������� �29 (��� ����������� ������� � ������������ � [1] � [3]) �������������� �� ����� �������� ����� ������. ��� ��������� ������������� �� ����� ������� ������ ���� ����� ������������� R15, ������� ��� ������� ��������� ������ 600-500 ��. ����������� ������� �� ������� ������� ������ ����� �������� - ���������� ���� �� ����� �������� ������� �42 � �43. � ����� � ���� ���� ��� ��� ���������, ��� ��� ������������������ ������ ������������� ����������, ����� R24, R25, �42, �43 ��� ����� ����� ��������������� ����� ����������� ���������. ���� ��� ������ �� 160 � 80 ������ ��� ������ ������� ������� ������� ����������� ��������� ��� ����������, �� ��� �������� �� ����� ��������������� ��������� ���� ��� �� ������������ ��������� ������������ �������. � ���� ������ ���������� ������� ��� �� ��������� ����� � ����������� � �������� ��������� � ���������� �������. �������� ��������� ������ �������� �� ������� � 2 - 3 ���� ���� ������� �������. ����� ��� ������ ������������ �������� 0,2 -0,5 � �� �������� 680-300 ��. ���������� VT4 ���������� ������ � ������������ �����, ����� ��� ��������. ����� �� ��� ����� ���������� �������� (���.2) ������ ������ �� ���� VT4 ����� �35, �������������� �������� �� 0,05 ��� ��� �������.

rst3952.gif
Puc.2

������������ ����������� ��������� ���������� ������������ ���������������� ���������� ��� ����������� ������ ����. ������� ��������, ��� ���� �� 160 � � 80 � ��� �������� ����������� �����, �� ��� �� ���������� ������� �� 40 � ����� ������������ ������ ���������� �����. ����� ������ �������� ��514. ������� ������������, ������ �� �� ������������ ��������� ��� CW ��� ��� SSB. ������ ���������� ������������� ������������ ���������� ������ ������� ������ �� ����� 20 ��. ���� ������������ ���� ������� ������ ��� ������ �� QRP, ����� ������ ����������. �� ���� �� ���������� � ���������� ��������� � ���������� "���� � ������", ����� ����� �� ������ �� SSB ����������. ������� LC-������ �� ������������ ����������� ���������� ������� ������, ������� �� ����������� ��������������. ���� �� ��� �� ������� ��������� ��� ������ �� SSB, ����� ����� ������ ��������� ������������� ����� ��������, ������� �������� ���������� ���������� - "�� ����" � � ������� ������������. ��������� "�� ����" ����������� � ������ �� ��� AM ������� ��� � ��������� �� AM �������, ���������� � �� ���������. ����� � ������� R 16, R 17 ���������� ������������� ���������� �� �������. ����� ������������� �� ���������� ������ CW ������� ��� ������ ���������������� ������ �� ���. � ������� R15 ���������� ������������� ���������� �������� ������� ������. ��� ������� �������������� ����������� �� ��� ������� ��������� ������� ���������� �������� ������� - ������ ���� �� ���� 20 ��. � ��������� ������ ���������� ������� �������� �29, ��� ������� ������������, ��� - ������ �� ���������� �������������. ��� ������� ������������ ��������� �����. ������������� ������������ �� ���������� �� ������� 1,5 �24, �������� ��������� �� �������� � � ������� R16 � R17 ���������� ������������� ���������� �������. ����� �� ���� ��� ��� �� LC ������ ������ �� ���������� �� ���. � ������� R15 ���������� ����� �������, ���������� �� ���.3.

rst3953.gif
Puc.3

��� ������ �������� "�", ��� ����� ��������� ������ ������� ������. �� ���� �������� - �������� ����� 900 �� � 1800 �� - ����������� ����� ������������� ����������. ����� �������� ������ �������� ������. ��� ����������� � ������� ������������ ����� ������������ � ���������������� ����������� ��� ���������� �������� ������� ������. ��� ������ �� SSB, �������� �� �� ���������� �o��� ���������� �������� � �������� ����������� ����������� �� V12, V13, ������� ������� � ���������������. ����������� ��� ������� ����� - � ������� ������� ������ �� L5 �24 � ������������� ������� ���������� R7. ��� ������ �� ������������� �� ���������� ����������� ��� ���� ������� � ������������ ������� �� L5, ���������� �������� 1/4 ����� �� �� ������. ��� ���� �������� R7 ������ ������ �������. ��� ������ �� �������� �� ����� ������������ (� ��������� ����� �����) ����� 6�5� - �������� �������� ���������� ����������. ��� ������ �� �� ���������� �������� �������� ���������� ��� ������������� ��� �� ������ ���������. � ���� ������ �� ���������� ������������ ����� ������ ���������� ��������� ����- ��� ����������������� ���������. ����� ������������ � �������� ��, ����� �������� ��������� � [3] �� ���. 196, ����� ��� ���� � �������� ����� ����� � ����������. ���� ��������� ����� �������� � CW ������, �� � ���� ������ ������ ����������� CW � ������� ���-����������. ��������� ����� ���������. ����������� CW ����� ������ ����������� ���������. ��� ����� ���������� ����� �������� 5,1-6,8 ��� ������ ����� �� �� ����� ����� VD11 ��� VD14. ���������� ����� ���������� �������� ������� - ��� ����� ������� � ������� �����, ����������� �� ���.4.

rst3954.gif
Puc.4

��� ������ �� ��� ��� �������� �� ���� ������ "-��", ��� ������ - "0". ��� ������ �� ��� - ��������. � ������� ������������� �1...�3 ���������� ��������� �������� ������� � 800 - 1000 �� �� ���� ��������� ������ ����������. ������� ��������, ��� ���������� ����������� CW ����� ������� �������, ��� ��� ������ ���������� � SSB ������, ��� ��������� ����������� ����������� ����������� �����������. ������ ���� �� ����������� �������� � CW, � SSB, � ���� ������ ���������� ��������� �������� ����������� �����������. ����� ����� ��� �������, ��������� ����������� R14 ��� ���� ������������� ��������� ����� 10 ��� �, �������������, �������� �������� ����������� ����������� (���.5).

rst3955.gif
Puc.5

����� �������� � �������� �� �������� �����. ��� ������ ���������� ������ � CW �� ����� ��� ��� SSB ����� ������� ���-���������, ������������ ��� �������� ����������. ����������� ��� CW ���������� ����������� ������ � �������� �������� ��, ���� ��� �������������� ��� ���������. � �������, ���� �� ����������� �� �������� ������ � �-��������, ������� ����� ����������� ��������� ���� ������, � ������������� �������� ������, ������������ ������� � ������ �� �������� ����� ������������ � ������� ����. ���� ����� ������������ � �������������� - ���� ���10, ���9 ��� �������, ��� �������� �������� �� ��������� 5 ��.

����������

1. "�����", N 10-11, 1982�.

2. �.���������. ������� SSB ������������� �� 160�. "��", N 1/94.

3. �.�.�������. �������������� � ������� ������� ��������������. �.: �������, 1990.


������ ���� ������������ � ������� "������������� �3/95", �.32-33

�� ����� ��������� � ���������� ������.


������� UR-QRP