������� UR-QRP

�������� ����� ����������, �/� 68, 308015, �������� ������ E-mail: rk3zk(dog)antennex.com
������������������� �����
������ ���� ������������ � ������� ����������� �7, 2001,
�� ����� ��������� � ���������� ������

� ������� �������� ������ [1] ���� ���� ���������� �������� ���� ������� "��������� ������������". ������� ���� ������� ��������� ��������� �� ������� �����������.

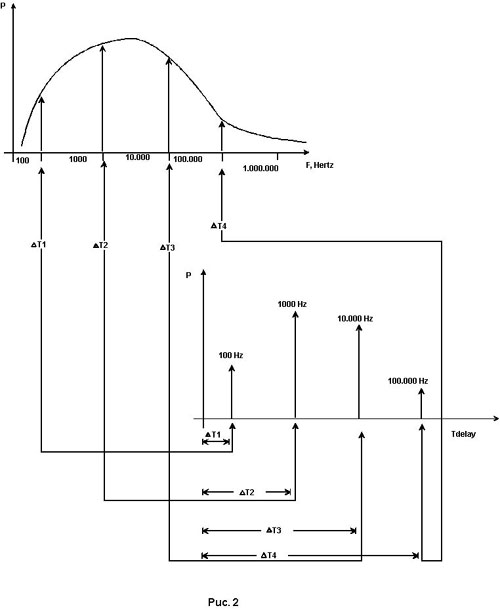
��� ������� ������ � ��������� ����� ���������� ������� ����������������� ���������, ������������ �������� ������� �������� ����� � ������� ������ �� ���������� ���� �� �������� �������� (���.1 ������ ������). ��-�� ������ ������� �������� ��������������� � ��������� � ��������� ����� ��������� ��������� ����������� ������� ��������� ������� �� ������ ���������� �� ���� ������ �������������� ��� �������� �����. ��� ���������� ������, ��� ��� ��������������� �������������� ���������������� ��������� �� ������ ������ ���������� �� ������� ������ ������� �������� ����� �������������� ���������, ��� ������� ����� �������� ��������������� ����������, � ����� ��� ����� � ����� ��������������� ��������� ������� ������, ��� ������� ����� �������� ��� �� ��������������� ���������� (���.2 ���������� ������� ������ ��� ��������������� ��������������� ��������� � ��������� �����). � ���������� ����� �� ��������� �������� �����, ������� �� ��������������� ���� ��������� � ��������������� ���. � ����������� �� �������� ���������� �� ������� ������, �� � ����������� �� ���� ��������������� ���� ���������������� ��������� ����� �������� �������� ������������ ����. ����������, ��� ���� ������� �������� ��� ��������� �����������������!


Ìîëíèÿ ����� ����� ��������� "��������� �����������" ��� ����� �� ������. � ���� ������ ������� ���������������� ������� � ����������� ������, ������ ������� ����� � ������� ������ ������, ��� ������� � ����� �������, �������� � ��������� �����. � ��� � �������������� ���������������� �������� ���������� �� �� �����, ��� � � �������� ��������� �������. ������� ���������������� ������� � ����������� ������ �������������� �� ���� ��� �������� ������������� ������. ��������� ������ �� ����� ���� ���������� ����� ��������� ����� ���������������� �������, �� ���� ���������� ���������������� ������� ��������� ������� �� ������ ��� �� ��������������� � ��������� ����� ����� �������������� �� ���� � ������������������� ��������� ��� �����-�� ����� ����. ���� ��� ������� ����� ������� ��������� �������������� � ������� � ���� �������� �������������� �������!

���, ��� ������ "��������� ������������", ������� ���������� ��� �� �������� �������� ��� � �� ��������� ��������� ����, ����� � ��������� ������ 0-10 ���, ������� ��� ������� ����� ���� ���������� �� ���� � ������� �������� ��������� ������ �������, � �������� ���������� ��������������� �������.

������� "��������� �����������" ���� ���������� � ����� 19 ���� �� ����������� ������ �����. ������ �� ���� ������, ��� ������� �������� ��������� ����� ����������� ����������� �������, �� ����� ����������� ������� � ����� �������� ��������, � ������ ����������� ������� � ����� �������� �������, ��� ��� ��������� �������� �� ���.3. � ������ ������ � ������� ��������� � ����� ��������� ��������� ������ ����������� ������� � ��������� ���� ������ ��������� �������� ������. � �� ����� �� �� ��������� ������� ��������, �� �������� � �������� ��������� ����������� ������� � �������������� ����������.

�� �������������, ����� ���������, ��� � �� ������� ������� (1876-1900 ����) ����� ���� �������� ��� ������? ���������������� ����������, ������� �������������� � �� �����, ���� ��������������������, �� ������� ���� ����������, � ��������� �������������� ���� ������ ������. ���� ������� ������������ ���� � �� ������������ ��� � �������� �����������! � ���� ���� �������� "��������� ������������" ������ �������� � ���������� ����������! ������ � ������ 20 ���� � ��������� ���������� ������������ ������ ������ �������� � ������� ��������� � � ��������� ���������� ������������ ��������� ���������� ���� ���������� ������� ���������������� ���������������� ����������� � �� ������� ��������� �������� ��� �������� ������������ ����. �� ����� �������� �� �������� 19 ���� ������ ������������� ������� � ������� ������ �������� ������������ ���� ���� �������������� �����.

������ ������ ������ ������, ��� � �� �����, �� ����� ����������� ���������� ������������ ����� �������� "��������� �����������". �� ������������� ��� ������ ��������� "��������� �����������" ������� ����������� ������� � ����������� ������. ������� ������������� ��������� ��������� ����� (���������� �������� �������!) � 19 ����, ���������� � ����� ���������������� ���� ����������� ��������� ������� � ����, ��� ��������� ����������� ����� ����� ����������� �������� �� �������� ������� "��������� ������������" - 300-10000 ��. � ���� ������ ���� �� ������� ���������� 19 ���� ��������� ��������� ��� ������� ���� �� ������������� ���������� �������� ��� ������. �����, ��� � 20 ����, ����� ����������� ����� ����� ������ �������������� � ����, ����������� ������� � ��� ���������� ����� ������ ��� ������������ ����������� �����.

��� �������� � ����������� �������� � ����������� ������ ��� ������ "��������� ������������" ������������ ��� ��, ��� �� ��������� ����������� ������ ��� ������ ��� �������� ���������� �� �����, � �� ������ ������ "��������� �����������" ������� �� �������.

������� ���� ��� ������ "��������� ������������" ����� ������� � ������������ ����������� ��������, ������� ������������ ������� � ���������� �������������� ������� �������� � ����������� ������� "��������� ������������". ������� ����� ��������, ��� � �� ��� ������� ��� ��� ������� 19 ���� �� ����� �� ���� ������������� ����� �������� ����������� ����, ������� ������ ��������� ���� ������� � ���� ���������� ������� ����������� ���� �� ������������ ����������. ������� ������������������ � ���������������� ���������� �������������� �� ����������������� ���������� ����. ������ �����, ����� ����������� ������ ����� ���������� ����, ��� ����� ������������ ��� ������������ � �������� ������������� �������.

�� ���� ������������ ������� ������� �����, � ������� ����� �������� �������� ������ �� ����! ���� � ������ ����� ������� �� ���� ��������� ������� ������� � ������������� ������, ��� ��������� �� ���� �� ������������������� �������� ��������� ������� "��������� ������������".

������ ���� � ������ "��������� ������������" �������� ����� ����� ������������ ����������. ��������� ������� ������ ������������ � ������������ � ��� ���������� ������ ������� ������������ ����� ��������� �������� ��� ������ "��������� ������������". ���������� � ����� ���� ����������� ���� ��� ����� �������������� ������ ������ �������� "��������� ������������". ������ � �� ����� ��� ������������ ������� �������� ����������� ��������� � �������� �� �������� � ���������� �� ����. ��� ������� ���� ���� � �������� ��������������� ���������.

�����, � 20-30 ���� ��� ������� �������������� ���������� (�������, ������ ���� ����, �������, ������� ����������). � ��������� ������������ ����������� �������������� ���������� �� ���� ���� ������������ ����� ������� ��������� ������ �������, � ������� ��������� ����������� ���������� �� "���������� �������������".

���� ������ ���������� �� "���������� �������������" � ������ � 70 ���� �� �������������� ���������, ����� ������ ����� ���������� ������������������. � �� ����� � �� ���� � ������������� "��������� ������������" � �� ������� �������� �� ��� �������� �������� ������ ������� ������ ��������� � ���������.

�����, �� ����� ����� ����� � ���������, � ���� ��������� �� ���� ������� � ��������� ���������� � ��� ���������� ��������� ���� ������ ����� �� ������ "��������� ������������". �� � ��������� ��� ������ ����� ���������� ������ ��������������� ��������. ������ ������, ����� ��������� ������ �. ������, � ����� "��������" �� ��������� �����, ����������� ����� �������, ��� ���� �����������������.

�� ������ ������ ����� �� ��� ������ ����� ��� ������� ������� "��������� ������������". �������� ��� ���������� �� ���� (���.4 ���� ����� ��������� "��������� ������������") ������������ ����� ������� ��������� ������ ������� � ���������� �� ��� ����� ��������. �� ��� ���� � ���, ��� ��� ������� ����� � ����������� �������� ������ ����������� �� ��������. ��-�� �������� ������������ � ������ ����� �������� �������������� ����������, ���� ������� �������� ����� ���� ����������� ���� ������ ��������� �� �����.

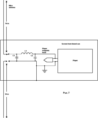
��������� �������� ����� "��������� ������������" � ���� ������������� ������� ������������� ��������� ������� �� ����� ��������� (���.5 "��������� ������� �� ����� ��������� "��������� ������������"). ��������� ������� ������������ ����� �� ���������� �������� �� ���������� ����� ������ ������� ������� ��������� 0,2 ��, ����������� �� ���������� ��������� ��������� 50*50 ��. ��, ���� � ��������� �������� � ������ ����� ���� ������� ����� ������ � ���������� ������� ����, ������������� �� � �������� ������ ������ ���� �������� �������. ��������� (�������� ������/��� 50 ��) ���������� ���������, � ������������ ����� "��������� ������������" ��� ��� ��� ��������������������. � �������� ��������� ������ ������� � ����������� ����������� ��������� � ���������� �������� � ������ ����, ����������� �� 50 �� � ��� ���������� ���� �������, � ���������� � ���� �������� ����� ���������. �� ��� ���� ��������� ������� �������, ����� ����������� ����������� ��������� ������������������� ��������, ������� ��� �� ������� ����� ������������� � ���������� ��� ���� ������� �����������. �� ��������� ������ ������� ��� ��������� ����������� ������ ������� � �������, ���� ������ � ��������� � �����������. ��� ���� � ����, ��� ���� ���������� ������������� �� ��� ���������� ������� ���������������.

��� ��������� ������ ������� ��������� � ����� ������������ ��������� ������ ������� �� ������� ������ � ������������� ��������. ����� ���� ������ �������� � �������� ���������, � ������������ �������, ������� ��� ������� ������� � �������� ��� ����������� ���������, ��� ��� ��� ��� ��� ���� � ����������� ������. ��� �������� ������� ��������� ������� � �������� ���������������� ������. �� ��������� ������� ������ ��� ������ �����. � ����� ������ ��� ��������� �������������� �-������, ��� �������� �� (���.6 � - ������ �� ����� ��������� - ������). � �������� ������� ������������� L ���� ������������ ������ ������� �������������� ��������� 500 ���������� ������������� ������������� � ������ ������� �������. ��������, ��� ������� ����� �������������� � ������ ������� ����������. ������������ �1 � �2 ���� �������� �� 0,068 ���. ��� ������������ ������ ����� ����� ������ �� ������� �������� ��� ���� ����� ���������� ����������� ������� ������ ������������ �� ���� ��������� ������ �������. ����������� ���� ����������� � ������� �������� ����� �� ��� ���. ��� ����� ������������ ��������� �����������, ��������� ������ ���������� �������� � ������� �������� � �������� �������� �������. ������ ��� ���������� ������ �������� ������� ����� ������. "�����" ������������� ���� �������� � ����� ����� � ���� �������, "�����" ������ ���� ���� � ��� �� ����� ���������� � �������� ��������.

�������� ����� ��������� � ��������� �������� � ������� ������ ������ - �������� � ��������� ��������, ��� �� ������ ��� �������� ��������� ������� ����� ��������������� ��������� ����. ���� ������� ������� "��������� �����������" ���������� ��������� ���� ������� ���� � ������ 2001 ����. �� ��� ���� ������ ����� ��������� ����������� ������ � ������ ���� ������ ������������. ���������� ������� ����������� ���� �� �������, ������������� ���������� ����� ��������� ����������� �������� ���������, ������������� ����������� ������ ����������������� ������� ��� ������ ��������� - ��� ��� ���������� ����������� ������������ ����������� ��� ���������� ��� ���������� �� "���������� �������������".

������� ������� ��������� ���� �������� ����� �������, �� ��-���������� �����. �� ��-����� UR-QRP-C ���������� ��������� QRP-���������� � ������ ��� � � ���������� ��� �������� ��������� ����� ���������. ������� ������ ����� ��� ������� ����, ���������� ������ ������, ���������� ������ ������������� ����� �������������� - ��� ��� ������ ���� ������� ��������� ������ ��� ������ ����� �������� ��������� �������������������� ���������.

� ������ ��� ������ �� ��-����� ����� QRP-���������� � ���� �� ���� ������� �������� ��� �����������. �� �� ������ ���� ������ ���������� �� ��-���������� ����� ����� 11 ����� ���� � ���� �������� � ����� � ��� �� �����. �� ����� �� ������� ���� ��-����������� ����� ��� ���������� ������������� ���� - "�� ���������� ��������". � ����� ��������� ��������� ��������� ����� ����. ��� ����� ������������ ��������� �������. ��-������, ��� ���� ���� �� ������� ����� �����, ������������� ����� ����� ���������� ����� QRP-����������. ��-������, ��-���������� �������� ��� ����������� ������ �� ���� ������������� �� ����� ���������� ����������� ����, ������� �������� ������������ ������ �������������������� ������. ��� ������ ���� ���������� ������ ������ ���������. �-�������, � ��-����������� ��������� ��� ������� �������� �� ������ ������������. ��� ��������� �� ����������� �� ����� ���� � ������ �������� ��������� ���������. ����� ������ �� ����� ������ �����. ������� ����� ������ ��������� �� 10-20 ������ �� �����, �� ��������� ������� ������� ������ � ��� ���������� ������ ������� ������ ����.

���������� ������������� �������� ��������, ������� �.�.������� � ������� ������ �������� ������ ���� ����. �� ����, ����� ���� ��� �������, �������, ������ ������ �� ��-�����. �� ����������� ������� ����� ����� � ��� ������ �� �����. �� ���� �� ��� ��� ���������� ��������, ������������� �� ����� ��� ������. ����� ��� ������ ��� ������ �� ����� �� �����, ��������� ���������� � ����� ����� ��������.

Íå äîøåë

�-���������, � ����� ����� ���������� ������������� ��� ���� �� ������ ���������. � ������ ������, ����� ����������� ������������ � ������������� ���� ��� ������� ����� ���� ���������� ������������� ����� ���������� ��������.

����, �� ��������� ��-����������� ��������� ���� ��� ��������� ��������. ��� ������������ ������� ��������� � ���� � ����� ������� ������� ��������� 0,5 �� � ������ ������� ������ 200. ������������� ��� ����������� � ��������� ���� ����������� ������� ������ 10 ������ (���.7 ������������� ������� ���������). ��� ������� ������ ������ �� ������ �����. ����� � ���� ��������, ������� ������� ������, ��������� ������� - � � ��� ������ ����� ���� ��, ��� ��� �������� �� �������� �� �����. � ������ ����������� �� ���� ��������� ����� ������� ������ ���� 1 ���� ������ �������� � ��������� ��������� ���������� ��� ����������� ����. �� ��-����� ����������� ������� �� ���� ��������� ������� ���� ����� ������. �� ����� � ������� ��, ��� � �� ��� �������� (� �������� ���� �� �����) � ������. ��������� ���� ��������������� ���������, �������� � � �� �� ����� �����-�� ����������, ������ ������� �������� ��������, �������� ������������ ���������.

Ãåîçíàê ���������� ������ �������� ��� ����, ����� ������ ��� ��� ���������� � ����������� � ��� ����������� ��� ���������� �� ��� �����, ������� �� ������ � ������ �� ����� ���������. �� � � ���� ������ ��������� ��� ������ �������� ���������� ���������� ������, ������� ������ �� ����� ���� � ������. �������� � 15 ���������� �� ����� ���������� �� ���� ������- ��� �������� ���������������� ������� ������ ���� � �������. ��� ���� ���������������� ������� ���������� �������� � 10 ���������� �� ���. ��� �� ������� ����������������. ������� ���� ���������������� ������� ���������� ��� ��������� ������������� ��������. ������ ���� ������������� ����� �������, ���� �� ���� ��� ��� ��������� ���� �� ������� �� ��� ����������. ������, ����������� ��� ������� �� ��-����� ������� ������������ ���������������� ���������. ��� ���������� ��� �� ���������� ������. ���� ����� ������ ���������� �� �����, ��������� ������� ��������� �� 100%. ����� �������� ����� ���������� � ������ ����. �������, � ���� ������ ��������� �������������� ����� ������� ������ ��������� � ���������� ������� ������� ��� ������������ ����� � �������� ���������� ����� ����� ����������. �������� ��� �������� ������ ������� ������ ��������� ��������������, ����� ��� ������ ���������������� ������� � ������� ����������� �����.

� �������� �������� "��������" ��������, � ������� ���������� ������ ����� ��� ��������� �������������� ���� ���������� � ��� �������. �������� ��� ������������� - ���� �� ��� ��� �������� ������. ��� "��������" ��������� �������� � �������� ����� 6 ������. ������ ������� ��� �������� ������. �� ��������� ������������, �������� �� ���� ������������� �������� ����������� �������, � ��� �������� ��������� �������� ����� 2-3 �������. �� ������ ���������������� ������� ���������� �� ������ ������ ����������� ������. ���� ���� ��������� ��������� �� ���� �������� ��������������� ����� �� ������� ���������������� �������.

�� �������� ������������������ ���������� � �������� ����������� �������� ��������� ����������� �����. ��� �������� ������ ������������� ������� ���������� ������� ����������. ����������� ������� � ������ �������� ���� ���������� - ������� �����. ������������� ���������� ������������ ������ �� ����� ����� ������� ������ ������� �������� �����. � ���� ������ � ������ �������� ���������� ����� �������� ������ �������� �������. ���� ���� �� ������ ��-����������� ����� ��������� ����� ��������� �������� 30 ������ (���.8 �������� ������� ���������).

Radar

��� ����� ������ ������ �� ������. ����� ����������� ����� �� ����� ��������� ��� ������ ����������� ���������� � ������ �������. �������������� ���� ����� �� ����������� ��������. �������� ���� �������� ������� �����. ������ � �������� �������� ���� ���� ������� "��������� �����������" �� ����� ��-�����. ��� �������������, ��� ���� �������! ������ ��������, ������� � ������ ������ ����� ������� � �� ������ �����, � ������. �� ��� ������������� ����� � �������� ��������� ������� �������� �������������� ��� ����������� ���� 50 ��. �� ��� ������� ������, ��� � ������, � �� ����� ������, �� ��� �� �� ���. ���� ��� ����������� ���� ���� �������� ������� �������� ��-������� ���������� ����� �� �����, �� ��������� �� ���� ���������� ��� �� �������.

� ����� ������������� � �������������� ������� � ��������� ���� ��������� �� QRP- ����������. ������ ������ �� ���� ������� �������������� ����. ��� ������������� ��������� � ���������� �� ����� ��� ������������ �����. ������������� � ��� ����� � �����, ����� �� ������� ����� ������ "��������� �����������". ������������ ��������� ��-����������� ����� ��� ����� ������������ ����� ����� �������.

Íà ïåðåäíåì ïëàíå,  â êðóãëîé æåñòÿíîé áàíêå èç ïîä ÷àÿ, ñîáðàí ïðèåìíèê äëÿ ïðèåìà ñèãíàëîâ 'ñâèñòÿùèõ' àòìîñôåðèêîâ .

� ������ � ������ ��������� �� "���������� �������������"������ �������� �����, ����� ��������� ����������� ������������� ��������. � ������� � �������� ����� ������������������ �������� �������� � ������ ���������� (��-�� ������� ����� �� ������� ���������������). �� ���������, ��� � ����� �������� ��������� �� "���������� �������������" ���� ����. ���������� �� ����� ����� �� ������� ������������� ��������, ��������� ��� ����������� ���. ��� ������������ ������ � ������ ������ "��������� ������������" ���� �� ��-���������� ����� - ��� ������� ���������. �������������, ���������� �� ����� � ������ ������ ������� ����������, ��� �����. ��� ��������� ��� ������� ������������ ������ � ����, ����������� �������� ������� ��� ������ ������� � ������� �������������� ����. ����� ������ �� ����� ������� ������� �����, �������� ��������� ���� �������� �� ����� ���������. ��-����� ��� ������� ������� "��������� �����������" ���� ����.

����� �������, ��� ��� ���� ������ "��������� ������������" � ����� ������ ������. ��������, ����������� �� ������ ������, �������� ������ ��������������� � ������ ��������. ������ � � ����������� ���, ����� ����� ������� ����� �� ������, ����� �� �������������� ����� � ����� ��������� �������������� ����!


����������: 1. Harold Allen, W4MMC : Natural ELF - Whistler Radio. Part 1, Part 2. http//www.antennex.com/library/archiv-III


������� UR-QRP